- Главная
- Каталог
- Крепеж
- Гайки
- Гайки круглые шлицевые
- Гайка круглая со шлицем на торце, класс точности В ГОСТ 10657-80
Гайка круглая со шлицем на торце, класс точности В ГОСТ 10657-80
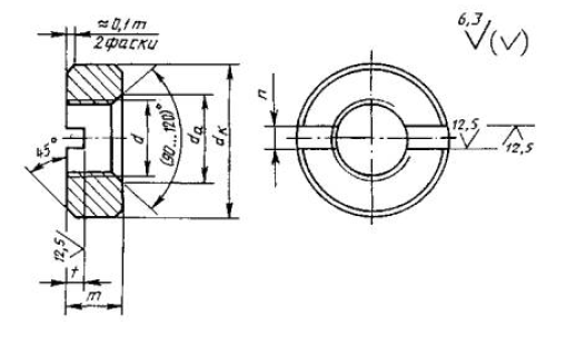
Гайки круглые со шлицем на торце, класс точности В ГОСТ 10657-80.
Класс точности: В.
Поле допуска резьбы: 6H.
Марка стали: 3, 20, 35, 45, 40Х, 09Г2С, 12Х13.
Класс прочности: 4; 5; 6; 8; 10; 12.
Класс точности: В.
Поле допуска резьбы: 6H.
Марка стали: 3, 20, 35, 45, 40Х, 09Г2С, 12Х13.
Класс прочности: 4; 5; 6; 8; 10; 12.




