- Главная
- Каталог
- Крепеж
- Фланцы, заглушки, втулки
- Заглушки
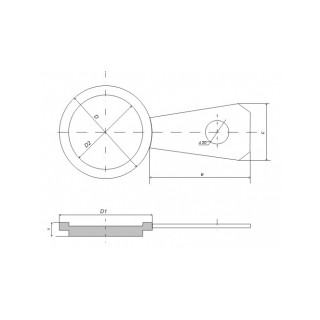
- Межфланцевая заглушка
Межфланцевая заглушка
- «открыто» – с просветом
- «закрыто» – без просвета
-
Технические характеристики
Заглушки обеспечивают герметичное перекрытие трубопровода в тех места, где необходимо дополнительное уплотнение. Для этого они комплектуются специальными прокладками-уплотнителями, изготовленными из следующих материалов:
- резины;
- паронита (смесь асбеста с каучуком);
- фторопласта.
Предусмотрено производство отдельных моделей заглушек, которые выглядят как цельный комплекс основы с уплотнителем и подложкой из графита.
Виды межфланцевых заглушек
С целью обеспечения полной герметичности соединений заглушка межфланцевая ГОСТ выпускается предприятиями в нескольких видах:
- поворотная, она же очковая или реверсивная (другие названия очки Шмидта, обтюратор);
- с рукояткой.
Поворотная заглушка состоит из двух частей:
- глухой, перекрывающей просвет трубы;
- с прорезью, открывающей поток.
Элементы соединяются перемычкой с отверстием под ось крепежа. При повороте запорной конструкции шпилька или болт меняют положение, а уплотнители с двух сторон сердечника заглушки делают соединение герметичным. Уплотнитель подбирается индивидуально, в соответствии с показателями температуры, давления и характера рабочей среды.
Оборудованная рукояткой, обычно ее применяют в конце трубопровода, ставится на время ремонта между фланцами, вынимается по окончании. Одновременно устанавливается межфланцевое кольцо и подходящий к нему уплотнитель. При условии полного совпадения толщины кольца и заглушки допускается не стягивать фланцы.
Разрешается использовать сердечник несколько раз, но при этом уплотнительная прокладка заменяется после каждого использования. Выпущенные в последние годы заглушки оборудуются уплотнителем в виде картриджа.
Санкт-Петербургский завод крепежных изделий предлагает купить межфланцевые заглушки собственного производства, очковые и с рукояткой. Предоставляется гарантия на выпущенную продукцию, предоставляется сертификат соответствия.
Заглушки обеспечивают герметичное перекрытие трубопровода в тех места, где необходимо дополнительное уплотнение. Для этого они комплектуются специальными прокладками-уплотнителями, изготовленными из следующих материалов:
- резины;
- паронита (смесь асбеста с каучуком);
- фторопласта.
Предусмотрено производство отдельных моделей заглушек, которые выглядят как цельный комплекс основы с уплотнителем и подложкой из графита.
Виды межфланцевых заглушек
С целью обеспечения полной герметичности соединений заглушка межфланцевая ГОСТ выпускается предприятиями в нескольких видах:
- поворотная, она же очковая или реверсивная (другие названия очки Шмидта, обтюратор);
- с рукояткой.
Поворотная заглушка состоит из двух частей:
- глухой, перекрывающей просвет трубы;
- с прорезью, открывающей поток.
Элементы соединяются перемычкой с отверстием под ось крепежа. При повороте запорной конструкции шпилька или болт меняют положение, а уплотнители с двух сторон сердечника заглушки делают соединение герметичным. Уплотнитель подбирается индивидуально, в соответствии с показателями температуры, давления и характера рабочей среды.
Оборудованная рукояткой, обычно ее применяют в конце трубопровода, ставится на время ремонта между фланцами, вынимается по окончании. Одновременно устанавливается межфланцевое кольцо и подходящий к нему уплотнитель. При условии полного совпадения толщины кольца и заглушки допускается не стягивать фланцы.
Разрешается использовать сердечник несколько раз, но при этом уплотнительная прокладка заменяется после каждого использования. Выпущенные в последние годы заглушки оборудуются уплотнителем в виде картриджа.
Санкт-Петербургский завод крепежных изделий предлагает купить межфланцевые заглушки собственного производства, очковые и с рукояткой. Предоставляется гарантия на выпущенную продукцию, предоставляется сертификат соответствия.




