Изготовление призонных болтов на заказ по чертежам
- Используем любые материалы и выполняем заказы любой сложности
- Полный цикл производства: от создания чертежей до доставки готовых изделий
- Доступные заказы: минимальная сумма заказа — 20 000 рублей, отгрузка от 2 дней

Болты, которые можно заказать сейчас
Болт призонный ГОСТ 7817-80
ПодробнееКаждая конструкция содержит множество деталей, для надёжного соединения которых используются специальные крепёжные элементы. Самые популярные приспособления, предназначенные для этих нужд — болты. Именно болты особенно широко применяются не только в промышленности и строительстве, но и в быту.
Существует множество разновидностей крепёжного элемента, все они отличаются конструкцией, характеристиками и сферой использования. Один из них — призонный болт.
Описание крепежного элемента
Болт призонный (прецизионный) — крепёжный элемент, обладающий высокими показателями прочности и устойчивости к внешнему воздействию, благодаря которым обеспечивает надёжное и долговечное соединение между необходимыми деталями.
Внешне такой болт не отличается от прочих разновидностей крепежей, но при этом имеет одну особенность — работа на срез. Поэтому при использовании подобных соединительных элементов, особое внимание нужно уделить подбору наиболее подходящего размера стержня.

Достоинства призонных болтов
Болты призонные ГОСТ стандартов широко применяются в самых разных сферах, всё благодаря достоинствам, которые присущи крепёжному элементу:
- при производстве используют высококачественную сталь, наделяющую болты особой прочностью;
- изделия гарантируют надёжное и долговечное соединение без зазоров;
- в процессе изготовления каждый элемент проходит дополнительную закалку, увеличивающую технические характеристики изделия;
- способны выдерживать огромную нагрузку как статическую, так и динамическую.
Сфера применения призонных болтов
Несмотря на небольшие габариты, приспособление отличается высокой прочностью, надёжностью, устойчивостью к внешнему воздействию, поэтому болты прецизионные нашли широкое применение в самых разных отраслях промышленности и быту.
Крепёжные элементы используются:
- при монтаже строительных каркасов;
- для соединения отдельных металлических конструкций: фланцев, шарниров, балок;
- при возведении кровли;
- при строительстве новых зданий;
- для соединения фасадных элементов.
Благодаря высокой надёжности и выдающимся характеристикам изделие нашло применение в металлургии, машиностроении, нефтяной и газовой отрасли, строительстве.
Стандарт качества продукции
Чтобы изделие полностью выполняло возложенные задачи, вся продукция проходит строгий контроль качества. Согласно установленному ГОСТ 7817 болты призонные изготавливаются из особых марок стали:
- с низким содержанием углерода;
- легированной;
- с вариантом термообработки;
- оцинкованной;
- с защитой от образования коррозии.

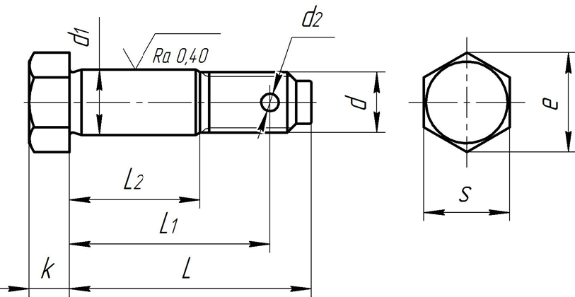
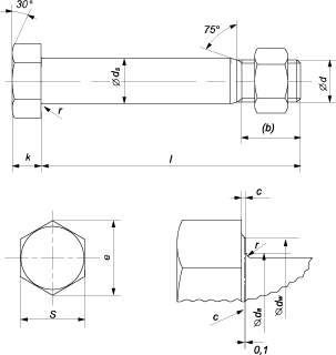
Размеры призонных болтов
- диаметр резьбы, мм: 6-48;
- шаг насечки, мм: 1-5;
- длина изделия, мм: 18-300;
- длина гладкого участка, мм: 6-220;
- диаметр гладкого участка, мм: 7-50;
- размер отверстия под шплинт, мм: 1,6-8;
- размер головки, мм: 3-30.
Выбирая болты, необходимо уделить внимание не только стоимости продукции, но и отдельным параметрам:
- максимально допустимую нагрузку, которую способен выдержать крепёжный элемент без деформации;
- длину стержня;
- прочностные характеристики.
Также важно, чтобы на «шляпку» болта была нанесена маркировка. Именно она вкратце расскажет об основных характеристиках соединительной детали. Кроме того, маркировка подтвердит, что изделие изготовлено с соблюдением технологий, прошло контроль качества, соответствует стандартам, установленным ГОСТ 7817.

Монтаж призонных болтов
Монтаж изделия довольно прост, не отнимает много времени и не требует применения специальных приспособлений:
- Первым делом необходимо подготовить отверстие подходящего диаметра.
- Затем в него помещается болт.
- С помощью ключа крепёжный элемент закручивается, обеспечивая надёжное, прочное и долговечное соединение деталей конструкции.
Санкт-Петербургский завод крепёжных изделий СПбЗКИ изготавливает призонные болты любого размера под индивидуальные ТЗ. Качество и высокие эксплуатационные характеристики продукции подтверждены соответствующими сертификатами.
Купить болты призонные можно на сайте компании, или позвонив по телефону. Менеджеры подробно расскажут и реализуемой продукции, помогут сделать правильный выбор, а также оформят заказ.
